BZD型定柱式旋懸臂起重機

點擊放大
產品名稱:BZD型定柱式旋懸臂起重機
產品關鍵詞:BZD型定柱式全回旋懸臂起重機
產品描述:
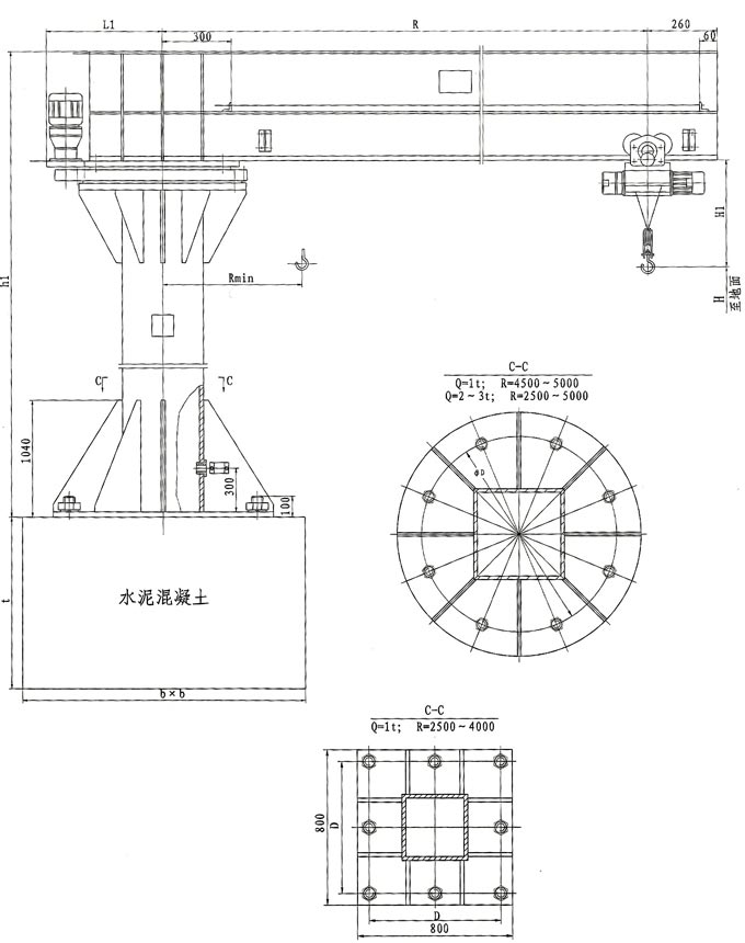
BZD型定柱式全回旋懸臂起重機
詳細說明
BZD型定柱式全回旋懸臂起重機在BZA的基礎上增加了電動回轉機構,由擺線針輪減速裝置驅動懸臂回轉,電動葫蘆在懸臂工字鋼軌道上作左右直線運動,由電動葫蘆起吊重物,達到了全電動控制,減輕了勞動強度。


![]() |
![]() |
![]() |
![]() |
![]() |
![]() |
![]() |
![]() |
![]() |
![]() |
![]() |
![]() |
|
![]() |
|
| Copyright©2021版權所有:無錫泰源機器制造有限公司 網站地圖 蘇ICP備11036936號-8 XML 本站關鍵詞:起重機 單梁起重機 無錫起重機 江蘇起重機 無錫起重設備 起重機網 聯系人:薛峰 13706167943 電話:0510-83751711 網址:mailangguangying.com 郵箱登陸 |
Power by |